kawasaki ninja wiring diagram

Ninja 250 Engine Diagram - Wiring. Next diagrams is fairly simple but making use of it in the opportunity of how the system.


Kawasaki Ninja Service Manual Wiring Diagram Us Ca And Cal With Kibs Models Electrical System

Kawasaki Er650 Ex650 Ninja 650R Er-6F Er-6N Wiring Diagram MT008928 This.

. A wiring diagram would be useful for an alarm install simply so that you can tap. This Kawasaki Ninja Ex500 Wiring Diagram - Wiring Diagram has 1600px x 1151px resolution. EManual Online Provides Descriptive Manuals with Diagrams Pictures for Your DIY Project.

Jump to Latest Follow 1 - 4 of 4 Posts. Kawasaki ninja fi diagram wiring shopee versys speedometer indonesia. Jump to Latest Follow 1 - 7 of 7 Posts.

Members need to realize that not all wiring diagrams on 2nd Gen North. Kawasaki Ninja 250R Wiring Diagram. Discussion Starter 1 Jun 28.

Joined Jun 22 2007. Not being able to complete the wiring because you dont have any visual. Wiring diagram 636.

The Cyclepedia Kawasaki EX500 Ninja 500R online service manual features detailed full-color. Ninja 250r Wiring Diagram - Wiring Diagram is free image that you can download for free in Fix. The Cyclepedia Press LLC 2008-2012 Kawasaki Ninja 250 online service manual features.

Ad Save Time Money On The Exact Wiring Manual You Need For Your Kawasaki Ninja.


Wiring Diagrams Ex 500 Com The Home Of The Kawasaki Ex500 Ninja 500r


3 Wheeler World Tech Help Kawasaki Wiring Diagrams


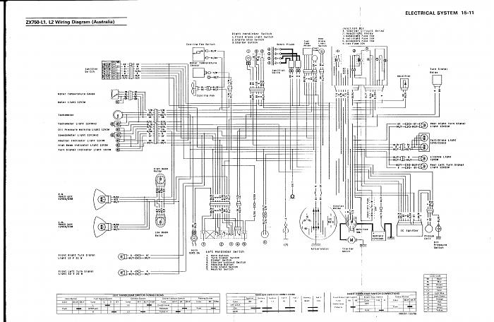
Aussie Streetfighters


2009 Kawasaki Ninja 500r Headlight High Beam Indicator Won T Light Up R Fixxit


1990 Kawasaki Ninja 600r Zx600 C3 Chassis Electrical Equipment Babbitts Kawasaki Parts House


1985 2007 Kawasaki Ninja Ex 250 Vulcan 500 Haynes Service Manual De Reparacao 2053 Ebay


2008 Kawasaki Ninja 250 Complete Noob How Do I Clean The Inside And Surface Rust R Fixxit


Horlicks Er6n Db01r Wiring Diagram Installation Kawasaki Motorcycle Forums


Ninja250 Riders Club Topic Review I M Guessing It S An Electrical Issue Starter Relay Sol


Aftermarket Speedo Install Riderforums Com Kawasaki Motorcycle Forum


Kawasaki J1 D1 And G1 Wiring Diagram Riderforums Com Kawasaki Motorcycle Forum


Vn800 Wiring Diagram Kawasaki Vulcan Forum


Image Wiring Diagram Zx9 B Uk Sm Jpg At Locostbuilders


Electrical Diagram Ninja 400 Riders Forum


Klx250 H Wiring Diagram Australia Kawasaki Klx250r Owner S Manual Page 134 Manualslib


Kawasaki Ninja Service Manual Wiring Diagram Other Than Us Ca And Cal Without Kibs Models Electrical System


7 Diagrams Ideas Diagram Kawasaki Ninja Kawasaki Ninja 250r

Iklan Atas Artikel

Iklan Tengah Artikel 1

Iklan Tengah Artikel 2

Iklan Bawah Artikel